钱柜qg777集团

激光器

飞秒激光器,皮秒激光器,光纤激光器,半导体激光器,半导体泵浦激光器,CO2激光器
CO2激光管、玻璃激光器

CO2激光管、玻璃激光器

时间:2022-11-09 类别:激光器 关注:1259
我们的CO2激光管是国内第一家采用模块化工艺和特殊材料耦合技术生产而成的标准化产品,它从根本上解决了不同材料烧结导致的应力不均匀而稳定不高的隐患,同时采用反向抱死调节结构及固化测试,具备极高的稳定性,使得产品模式在使用过程中不会发生任何变化。
产品经理
热线:181-6269-8939
QQ: 1651816816
微信:XTGD518
即刻询价

我们的CO2激光管是国内第一家采用模块化工艺和特殊材料耦合技术生产而成的标准化产品,它从根本上解决了不同材料烧结导致的应力不均匀而稳定不高的隐患,同时采用反向抱死调节结构及固化测试,具备极高的稳定性,使得产品模式在使用过程中不会发生任何变化。其中500W系列产品主要承载9~15mm厚度各类非金属板材切割工作,是目前为止所有中功率激光器中唯一一个使用时间跨度最长的拳头产品。600W系列产品是目前刀模领域及相框板材切割领域的主打产品,可以适配80%以上的激光刀模切割机及相框激光切割机,为解决刀模领域产品的升级换代,我们独自开发推出了800W激光管,他的出现大大提高了切割效率降低了生产能耗,是目前刀模板材切割领域的主打产品。

产品特点

  • 光束质量TEM00模95%以上、功率稳定、一致性好;

  • 独有气体配方、光学振谐腔优势提升产品功率;

  • 先进的核放射性材料镀膜镜片;

  • 激光管金属头与玻璃直接烧结工艺,保证了金属端结构极高的稳定性

应用领域:

适用于亚克力、刀模板、中线板、纸板、皮革、布料、海绵等非金属高速切割,同时可以用于碳钢、不锈钢薄板的切割。可搭配各种结构的激光切割机、激光雕刻机、激光模切机及其他相关激光应用行业,部分产品可以满足运动及固定方式设备结构。

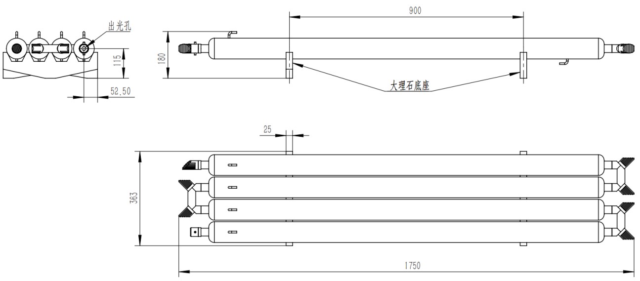
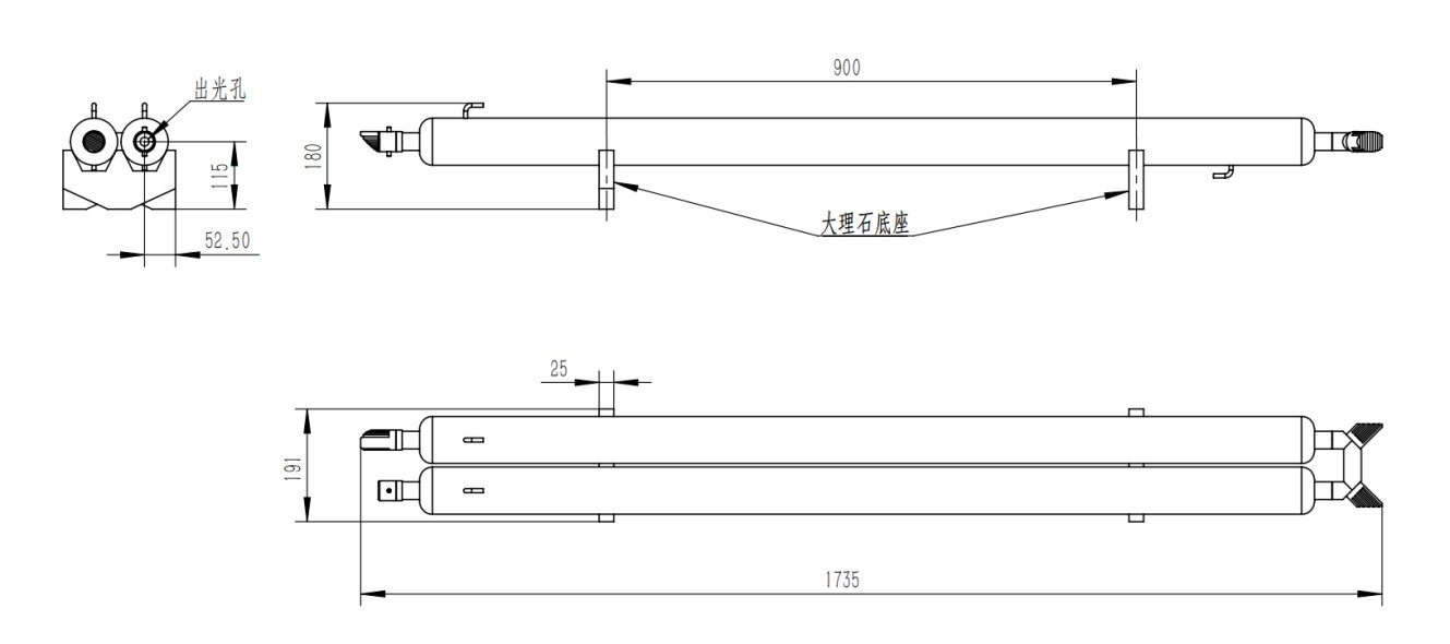
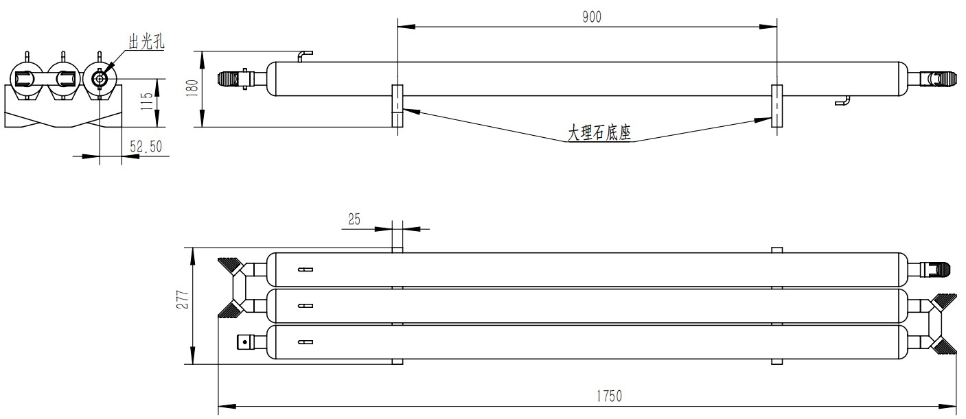
主要技术参数:

型号 STV-300 STVS-300 STV-500 STVS-500 STV-600 STVS-600 STVS-800
波长 10.6 10.6 10.6 10.6 10.6 10.6 10.6
额定功率 300W 300W 500W 500W 600W 600W 750
峰值功率 330W 330W 500W 500W 680W 680W 800W
模式 TEM00 TEM00 TEM00 TEM00 TEM00 TEM00 TEM01
尺寸规格 Φ80*1735*2 1850*225 Φ80*1750*3 1850*311 Φ80*1750*4 1850*397 1872*483
配置 两支并联 一体封装 三支并联 一体封装 四支并联 一体封装 一体封装

*可提供带外壳的版本,请联系我们的产品经理。

分享: